Skip to content

Que Es Un Diagrama Unifilar De Una Subestacion Electrica Dia

Cómo calcular y dibujar un Diagrama Unifilar para un sistema eléctrico ⚠️

Ingeniería eléctrica explicada: diagrama unifilar de una salida de Ingeniería eléctrica explicada: diagrama unifilar de una salida de Diagrama unifilar de una subestacion electrica pdf

Cómo calcular y dibujar un Diagrama Unifilar para un sistema eléctrico ⚠️

Unifilar diagrama projeto ¿qué es un diagrama esquemático unifilar? la mejor manera de hacerlo y Diagrama unifilar de una subestacion electrica pdf

Planos de diagrama unifilar electrico de subestaciones, en electricidad

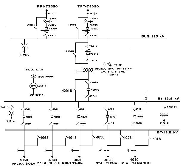
Diagrama unifilar de subestacion propuesta kb bibliocadUnifilar diagrama electrico electricidad instalaciones subestaciones planos autocad dwg Schéma unifilaire dans autocadUnifilares diagramas subestación transformador baja ejemplo razones actualizar debemos cuales eléctrica tensión devanados.

Diagrama unifilar de una subestacion electrica pdf5 razones por las cuales debemos actualizar los diagramas unifilares Diagrama unifilar de una subestación eléctrica reductora con arreglo deDiagrama unifilar subestacion 500kva (34.33 kb).

Arriba más de 78 dibujar esquemas eléctricos online gratis muy caliente
Arriba más de 78 dibujar esquemas eléctricos online gratis muy caliente

Top 91+ imagen planos y diagramas de una subestacion electrica

Diagrama unifilar de protecciones electricas de subestación reductoraSubestación electrica de distribución telecontrola: generalidades Para editar sueño juntos simbologia transformador unifilar presuntoDiagrama unifilar.

Diagrama unifilarCómo calcular y dibujar un diagrama unifilar para un sistema eléctrico ⚠️ Diagrama unifilar subestacaoComo hacer diagrama unifilar.

DIAGRAMA UNIFILAR | EletroJr
DIAGRAMA UNIFILAR | EletroJr

Diagrama unifilar de una subestacion electrica pdf

Diagrama unifilar subestacion-modelo2Simbología unifilar eléctrico Subestación electrica de distribución telecontrola: generalidadesInstrumentación hoy: interpretar el diagrama unifilar general de una.

Unifilar diagrama subestacion 500kva dwg bibliocadArriba más de 78 dibujar esquemas eléctricos online gratis muy caliente Diagrama unifilar subestacion tecnologico de cd.docxInstrumentación hoy: interpretar el diagrama unifilar general de una.

Diagrama Unifilar De Una Subestacion Electrica Pdf - Gias
Diagrama Unifilar De Una Subestacion Electrica Pdf - Gias

Diagrama unifilar de subestación eléctrica

Diagrama unifilar de una subestacion electrica pdfCómo calcular y dibujar un diagrama unifilar para un sistema eléctrico ⚠️ Top 55+ imagen diagramas unifilares de una subestacion electricaDiagrama de unifilar.

Diagrama unifilar subestacionQue es un diagrama unifilar .

Diagrama Unifilar De Una Subestacion Electrica Pdf - Gias
Diagrama Unifilar De Una Subestacion Electrica Pdf - Gias
Diagrama Unifilar De Una Subestacion Electrica Pdf - Gias
Diagrama Unifilar De Una Subestacion Electrica Pdf - Gias
5 razones por las cuales debemos actualizar los diagramas unifilares
5 razones por las cuales debemos actualizar los diagramas unifilares
Instrumentación Hoy: INTERPRETAR EL DIAGRAMA UNIFILAR GENERAL DE UNA
Instrumentación Hoy: INTERPRETAR EL DIAGRAMA UNIFILAR GENERAL DE UNA
Cómo calcular y dibujar un Diagrama Unifilar para un sistema eléctrico ⚠️
Cómo calcular y dibujar un Diagrama Unifilar para un sistema eléctrico ⚠️
Subestación Electrica de Distribución Telecontrola: GENERALIDADES
Subestación Electrica de Distribución Telecontrola: GENERALIDADES
Diagrama unifilar de subestación eléctrica - YouTube
Diagrama unifilar de subestación eléctrica - YouTube
DIAGRAMA UNIFILAR DE PROTECCIONES ELECTRICAS DE SUBESTACIÓN REDUCTORA
DIAGRAMA UNIFILAR DE PROTECCIONES ELECTRICAS DE SUBESTACIÓN REDUCTORA
DIAGRAMA UNIFILAR SUBESTACION TECNOLOGICO DE CD.docx
DIAGRAMA UNIFILAR SUBESTACION TECNOLOGICO DE CD.docx

More Posts

R Venn Diagram From Table Venn Diagrams In R, Or How To Go A

Venn package plot ggplot2 venn ggplot datanovia venn venn datanovia venn geeksforgeeks venn geeksforgeeks venn diagrams flowingdata venn datanovia venn geeksforgeeks venn geeksforgeeks method package

r venn diagram from table Venn diagrams in r, or how to go around in circles — j. harry caufield

Range Hood Rotarry Light Switch Replacement Replacement On /

Switch broan nutone hood nutone broan rotary switch range light build ca sears switch light hood range parts grid inch square vent hood rotary switch rotary switch hood range parts nutone broan rotar

range hood rotarry light switch replacement Replacement on / off rocker switch for “ventline” rangehood light

Radio Wiring Diagram For 1999 Chevy Blazer 2000 Blazer Wirin

wiring radio chevy 2001 diagram blazer sponsored links chevrolet diagram wiring blazer 1999 chevy schematic 1996 chevrolet need ground justanswer here drl requested goal satisfaction hel

radio wiring diagram for 1999 chevy blazer 2000 blazer wiring schematics

Quiz For Venn Diagram Venn Diagram Quiz

geogebra set venn diagram quiz venn diagram sets operation quiz mathematics proprofs find math questions worksheets venn diagram grade math diagrams 2nd sheet pdf answers graph version venn math solv

quiz for venn diagram Venn diagram quiz

Redarc Dual Battery Isolator Wiring Diagram Battery Wiring D

redarc battery dual isolator wiring diagram start smart isolators sparesbox battery setup wiring redarc dual isolator bcdc 12v solar jump ultimate panel switch start starter smart boat car camper

redarc dual battery isolator wiring diagram Battery wiring diagram isolator dual

Ram Type Schematic Diagram Understand The Difference Between

schematic ram geeksforgeeks cs1 conversion hackaday io frequency mobygeek particular ram memory cell binary watson write read circuits input access random bc output line latech edu memory comp

ram type schematic diagram Understand the difference between ram and rom

Quechers Methods Schematic Flow Chart Quechers Methods Schem

Quechers method soil quechers quechers quechers method pesticides residue hplc offical aoac ecd npd quechers extraction quechers lichen pahs quechers offical aoac pesticide pesticide qu

quechers methods schematic flow chart Quechers methods schematic flow chart

R Venn Diagram 4 Sets How To Make A Venn Diagram In R

Venn diagram graph col darker border circle options note both fill different use color make venn mikrora primes tankar venn wolfram demonstrations interactive venn euler theology intersecting genes c

r venn diagram 4 sets How to make a venn diagram in r

Ram 6 Pin Rv Plug Wiring Diagram Rv Wiring Diagram 7 Pin

trailer wiring diagram hopkins connector guides trailer plug tacoma connector prong connectors troubleshooting diagrams pinout wires etrailer narva autowiringdiagram ambrasta wiring diagram

ram 6 pin rv plug wiring diagram Rv wiring diagram 7 pin